P LP KR set
P LP KR set
[Sada Arch rámiky snímača N+B krem ]
Kód produktu: P LP KR set
Sada Humbucker rámikov pre krk a mostík / zakrivená spodná hrana ( pre LP tvarovane tela )
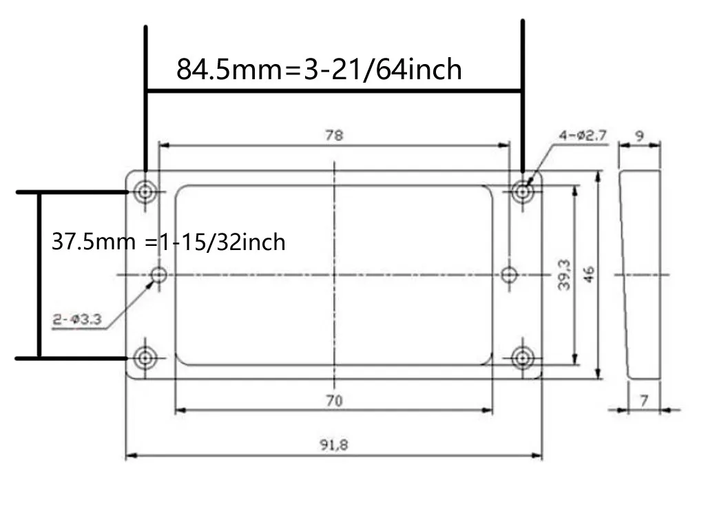
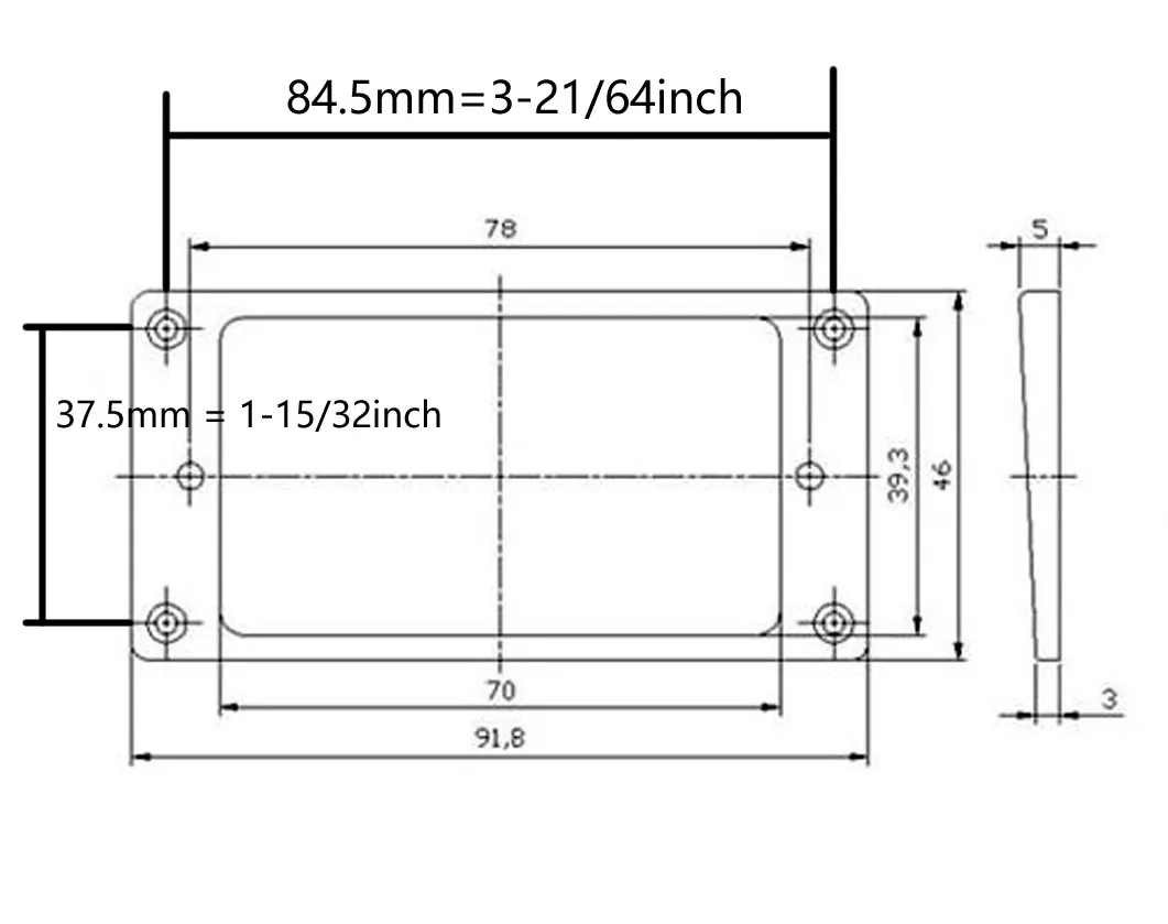
Vyrobené z kvalitného lesklého plastu. Vonkajší rozmer: 91,8 mm x 46 mm Vnútorný rozmer: 70 mm x 39,3 mm
Montážne skrutky nie sú súčasťou . Pred zakúpením skontrolujte rozmer na obrázku.
farba : krémová
1 sada/2 kusy
Naposledy zobrazené
P LP KR set
5,70€ Bez DPH: 4,63€






